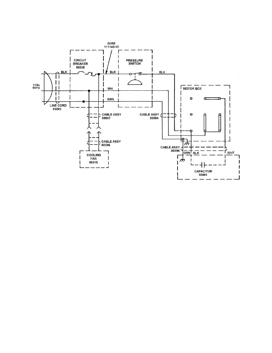
Figure 4-3. Compressor wiring diagram.
(1)
Remove the cover from the motor box by removing two screws.
(2) Remove the four screws, lock washer, and flat washers from the inner
corners of the motor box. Note the ground wires (green) under one of the screws.
(3)
Disconnect the cable from the circuit breaker to the cooling fan at the
connector.
(4) Remove the black, green, and white pressure switch wires from under
the appropriate screws within the motor box.
(5) Disconnect the fittings between the pressure switch and the flex hose to
the storage tank inlet assembly and between the unloader valve and the flex hose to the
cooling coil.
(6) Raise the pressure switch and bracket assembly from between the
motor and motor box.
MD0366
4-5