b. Types of Steam Sterilizers Used in the Central Materiel Services .
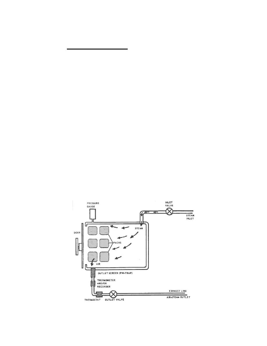
(1) Gravity-displacement type. The gravity-displacement type sterilizer is
the slowest of the steam sterilizers but is required for certain types of items such as
solutions. In this type of sterilizer, the air is forced out by downward displacement with
steam. Figure 3-3 is a simplified diagram of this type of sterilizer. The metal
construction of the gravity displacement type contains two shells, either round or
rectangular, to form a jacket and a chamber. Steam fills the jacket that surrounds the
chamber. After the door is tightly closed, steam enters the chamber at the back (near
the top and is deflected upward. Air is more than twice as heavy as steam. Thus, by
gravity, air goes to the bottom and steam floats on the top. Steam, as it enters under
pressure and remaining above the air, pushes the air in both the chamber and wrapped
items downward and out through a filter to the waste line. A thermometer that is located
at this outlet below the filter measures the temperature in the chamber. When the
steam has filled the chamber, it will begin flowing past the thermometer. Timing for the
sterilizing period begins only when the thermometer reaches the desired temperature.
The sterilization cycle time begins when the sterilizer is started, and runs through
completion. Many factors influence cycle time such as the type of items, size of load,
speed of air elimination, geographical altitude, and other environmental factors. The
cycle time includes the removal of air, the heating of the steam, the penetration of the
steam into the items, the exposure time, and the exhaust and cooling time. Exposure
time begins the moment the thermometer in the discharge line indicates the minimum
temperature of 250F (121C) for the gravity-displacement type sterilizer and ends when
the temperature falls below 250F (121C) and the cycle ends. The minimum exposure
time for a gravity-displacement sterilizer is 30 minutes. The cycle time, of course, would
be longer. Each CMS will have local procedures defining minimum exposure time for
each type of item and each sterilizer and a procedure for validating sterilization.
Figure 3-3. Simplified diagram showing gravity displacement of air with steam.
MD0937
3-4