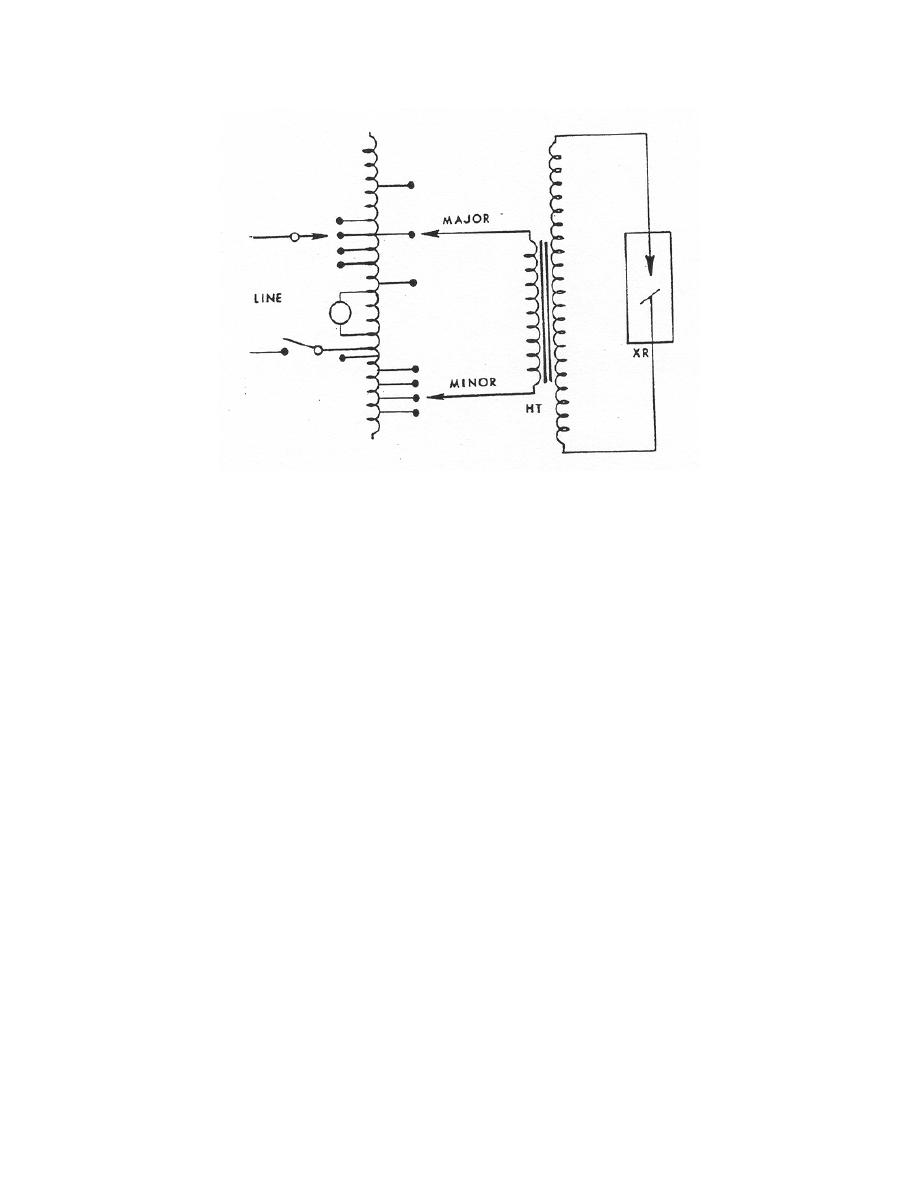
Figure 2-20. Autotransformer with dual selectors.
e. In systems like this, the voltage output across any given pair of taps will
depend on the voltage of the supply line; the higher the input voltage, the higher the
output. If the supply line voltage varies (as it often does), the same voltage will not
always result from a given pair of output taps. This, however, is not too serious since a
voltmeter can be placed across the selectors and the autotransformer can then simply
be set on whatever combination of taps gives the desired voltage.
2-30. RECTIFICATION
For efficient operation, the x-ray tube should be supplied with DC. Commercial
power sources supply AC, which is necessary for operation of the transformers of the
x-ray machine. Because of the configuration and principles of operation of the x-ray
tube, current can move in only one direction through it. Therefore, the alternating
current must be changed to a form of direct current (rectification).
a. A simple way of changing AC to DC in the x-ray machine is to allow the x-ray
tube to do the rectifying (self-rectification). Since the x-ray tube allows current to flow
only from the filament of the cathode to the anode, any current attempting to flow in the
opposite direction is blocked at the tube. This suppresses the current moving in the
opposite direction during that half cycle and no current flows (half-wave rectification).
b. Self-rectification is detrimental to an x-ray tube because the tube must
oppose the reverse flow of electrons 60 times during each second of operation.
Moreover, if the anode becomes hot enough, it will liberate electrons by the process of
thermionic emission and current will flow in the opposite direction, resulting in damage
to the tube. Self-rectification is used only in small, portable x--ray machines and is the
least efficient form of rectification.
MD0950
2-29